SKUs available on this product page

IRT-16N, IRT-2N, IRT-4N, IRT-6N, IRT-8N, IRT-12N,

Superlok® Pipe Tee – NPT Run Tee (IRT)

  • Superlok® Pipe Run Tee Fitting
  • Female NPT x Female NPT x Male NPT Pipe Fitting
  • Applications: Compression, Cryogenic, Gas, Instrumentation, Vacuum
  • Available in 316 Stainless Steel
Quantity - +

Superlok® Pipe Tee - Run Tee (IRT)

One standout feature of Superlok® pipe fittings is their impeccably smooth interior finish that significantly reduces the risk of particle entrapment, thereby minimizing the potential for contamination. This is particularly vital in industries where maintaining the purity and integrity of fluids and gas is paramount.

Moreover, the smooth interior finish of Superlok® pipe fittings promotes improved fluid and gas flow. This streamlined flow not only enhances overall system efficiency but also contributes to cost reduction for end users. The reduction in turbulence and resistance within the fittings ensures that operations are carried out with maximum efficiency, ultimately boosting productivity.

Superlok® pipe fittings are the embodiment of excellence in industrial pipe fittings and the strict adherence to material quality, precision design, and advanced machining technologies guarantees a product that not only meets but exceeds industry standards making them a reliable choice for various industrial applications. Superlok® sets the bar high for quality and performance.

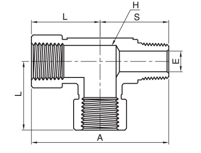
Superlok® Pipe Tee - Run Tee (IRT) Dimensions

Female NPT Tee w/ Male Run Tee Dimensions

Part No. Pipe Size Dimension (mm) Pressure Rating

(bar)

A E L S H
IRT-2N 1/8 43.6 4.8 24.0 19.6 12.7 6200(427)
IRT-4N 1/4 56.2 7.1 29.0 26.5 17.5 7200(496)
IRT-6N 3/8 62.7 9.6 34.5 28.2 20.6 5600(385)
IRT-8N 1/2 72.3 11.9 37.0 35.3 25.4 5600(385)
IRT-12N 3/4 86.1 15.7 46.5 39.6 31.8 5100(351)
IRT-16N 1 97.7 22.4 48.5 49.2 42.9 6400(440)

Additional information

Line Drawings

SKUDescriptionLine Drawing
IRT-16N

Superlok® Pipe Tee (IRT) – 1″ FNPT x 1″ MNPT x 1″ FNPT Run Tee

PDF
IRT-2N

Superlok® Pipe Tee (IRT) – 1/8″ FNPT x 1/8″ MNPT x 1/8″ FNPT Run Tee

PDF
IRT-4N

Superlok® Pipe Tee (IRT) – 1/4″ FNPT x 1/4″ MNPT x 1/4″ FNPT Run Tee

PDF
IRT-6N

Superlok® Pipe Tee (IRT) – 3/8″ FNPT x 3/8″ MNPT x 3/8″ FNPT Run Tee

PDF
IRT-8N

Superlok® Pipe Tee (IRT) – 1/2″ FNPT x 1/2″ MNPT x 1/2″ FNPT Run Tee

PDF
IRT-12N

Superlok® Pipe Tee (IRT) – 3/4″ FNPT x 3/4″ MNPT x 3/4″ FNPT Run Tee

PDF

There are no questions yet. Be the first to ask a question about this product.