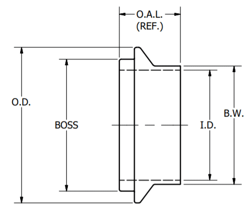
I-Line Fittings can be measured by different locations on the fitting in order to determine size. As you can see with the line drawing for a Male I-Line Ferrule below, you can measure the following locations to determine the size of your fitting.
- Outside Diameter of Flange
- Outside Diameter of Tube End
- Inside Diameter of Tube End
Please consult the tables below for I-Line Fitting Dimensions
Male I-Line Ferrule Dimensions
Male I-Line Ferrule Dimensions
| Size | Outside Diameter (OD) | Inside Diameter (ID) | BOSS | Butt-Weld (BW) |
|---|---|---|---|---|
| 1″ | 1.9975″ | 0.870″ | 1.2405″ | 1.010″ |
| 1.5″ | 1.9975″ | 1.370″ | 1.7405″ | 1.510″ |
| 2″ | 2.6425″ | 1.870″ | 2.2405″ | 2.010″ |
| 2.5″ | 3.3095″ | 2.370″ | 2.7405″ | 2.510″ |
| 3″ | 3.8725″ | 2.870″ | 3.3005″ | 3.010″ |
| 4″ | 4.8725″ | 3.834″ | 4.2975″ | 4.010″ |
| 6″ | 7.4975″ | 5.782″ | 6.8305″ | 6.010″ |
| 8″ | 9.4900″ | 7.782″ | 8.8305″ | 8.010″ |
Female I-Line Fitting Dimensions
Female I-Line Ferrule Dimensions
| Size | Overall Length (OAL) | Outside Diameter (OD) | Butt-Weld (BW) | Bore |
|---|---|---|---|---|
| 1″ | .786″ | 1.9975″ | 1.010″ | .870″ |
| 1.5″ | .942″ | 1.9975″ | 1.510″ | 1.370″ |
| 2″ | 1.036″ | 2.6425″ | 2.010″ | 1.870″ |
| 2.5″ | 1.161″ | 3.3095″ | 2.510″ | 2.370″ |
| 3″ | 1.223″ | 3.8725″ | 3.010″ | 2.870″ |
| 4″ | 1.348″ | 4.8725″ | 4.010″ | 3.834″ |
| 6″ | 1.130″ | 7.4975″ | 6.010″ | 5.782″ |
| 8″ | 1.130″ | 9.4975″ | 8.010″ | 7.782″ |
View all I-Line Fittings Please contact us with any other questions.
