Superlok® Pipe Elbow - Male NPT (IME)
One standout feature of Superlok® pipe fittings is their impeccably smooth interior finish that significantly reduces the risk of particle entrapment, thereby minimizing the potential for contamination. This is particularly vital in industries where maintaining the purity and integrity of fluids and gas is paramount.
Moreover, the smooth interior finish of Superlok® pipe fittings promotes improved fluid and gas flow. This streamlined flow not only enhances overall system efficiency but also contributes to cost reduction for end users. The reduction in turbulence and resistance within the fittings ensures that operations are carried out with maximum efficiency, ultimately boosting productivity.
Superlok® pipe fittings are the embodiment of excellence in industrial pipe fittings and the strict adherence to material quality, precision design, and advanced machining technologies guarantees a product that not only meets but exceeds industry standards making them a reliable choice for various industrial applications. Superlok® sets the bar high for quality and performance.
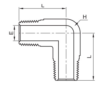
Superlok® Pipe Elbow - Male NPT (IME) Dimensions

| Part No. | Pipe Size | Dimension | Pressure Rating | ||
|---|---|---|---|---|---|
| E | L | H | |||
| IME-2N | 1/8" | 4.8 | 19.1 | 12.7 | 10000(689) |
| IME-4N | 1/4" | 7.1 | 24.5 | 12.7 | 8000(551) |
| IME-6N | 3/8" | 9.6 | 26.9 | 17.5 | 7800(537) |
| IME-8N | 1/2" | 11.9 | 33.2 | 20.6 | 7700(530) |
| IME-12N | 3/4" | 15.7 | 35.3 | 25.4 | 7300(502) |
| IME-16N | 1" | 22.4 | 44.5 | 31.8 | 5300(365) |
Additional information
Line Drawings
| SKU | Description | Line Drawing |
|---|---|---|
| IME-2N | Superlok® Pipe Elbow (IME) – 1/8″ MNPT Male Elbow | |
| IME-4N | Superlok® Pipe Elbow (IME) – 1/4″ MNPT Male Elbow | |
| IME-6N | Superlok® Pipe Elbow (IME) – 3/8″ MNPT Male Elbow | |
| IME-8N | Superlok® Pipe Elbow (IME) – 1/2″ MNPT Male Elbow | |
| IME-12N | Superlok® Pipe Elbow (IME) – 3/4″ MNPT Male Elbow | |
| IME-16N | Superlok® Pipe Elbow (IME) – 1″ MNPT Male Elbow | |
| IME-20N | Superlok® Pipe Elbow (IME) – 1 1/4″ MNPT Male Elbow |
There are no questions yet. Be the first to ask a question about this product.

